日日草天天干I免费热情视频I三级黄色网址I久草综合视频I黄色视屏免费在线观看I久久伊人爱

logo

工業鋁型材源頭工廠 專注工業鋁型材16年

咨詢熱線:133-8190-9160

  

澳宏二維碼

產品中心

定制鋁型材框架圖紙究竟有多重要?

作者: 編輯: 來源: 發布日期: 2021.06.02
信息摘要:
鋁型材框架定制就必須要有技術圖紙,這樣才能夠根據圖紙進行加工。如果客戶自己開發的型材,還需要進行開模定制。模具的開發也是需要根據客戶提供的圖…

鋁型材框架定制就必須要有技術圖紙,這樣才能夠根據圖紙進行加工。如果客戶自己開發的型材,還需要進行開模定制。模具的開發也是需要根據客戶提供的圖紙進行的。所以圖紙對于鋁型材來是說至關重要的。

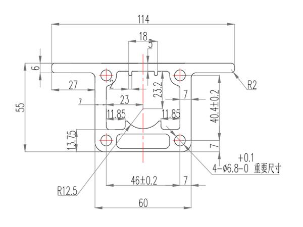
在加工圖紙上可以清楚的知道使用的型材規格,打孔的位置,是否需要在端面進行攻牙,以及攻牙的大小等等,圖紙能夠很快將所需要的尺寸標注出來。鋁型材圖紙能夠明白的說明定制的要求,更加直觀的與客戶交流,減少雙方在溝通上所花的時間,提升效率,能夠更快的解決問題,更好的完成鋁型材的定制。

圖片1

如果遇到客戶在定制鋁型材框架時沒有圖紙,這個時候應該怎么辦?首先要找一家有技術實力有公司,澳宏鋁型材擁有自己的研發團隊,技術實力過硬,11指導,根據客戶提供的型材參數以及具體的要求,就能夠當地出圖紙,必要時還可以上門測量。

當然定制鋁型材的時候要是客戶有提前設計好的圖紙,那溝通起來就更加方便了。這樣的話,客戶可以直接跟我們澳宏鋁型材技術部的同事溝通,確認好圖紙就可以加工生產了。

上海澳宏鋁型材專注于鋁型材解決方案13年,擁有自己的研發部門,技術11服務,當天就能夠出圖紙。1000+鋁型材型號,200+連接方案,鋁型材框架結構設計合理,抗壓強度高,產品堅固耐用,滿足各種特殊結構需求;澳宏鋁業想用戶之所想,急用戶之所急,科學設計,快速加工,神速供貨,讓你的企業提前進入生產狀態,獲得更大經濟效益。鋁型材解決方案!找澳宏!快!

 

7a8aea225f3d4a83b6da3d8c89ad0bee_2

總部地址:上海青浦區滬青平公路3938弄17棟 

生產基地:江蘇昆山千燈鎮宏洋路20號-88號 

澳宏推薦資訊
4080鋁型材適合做什么?

4080鋁型材適合做什么?

080鋁型材截面尺寸為40mm×80mm,兼具承載能力與空間靈活性,是非標自動化、設備制造領域的常用規格。本文介紹了其在設備機架、輸送線支架、重載工作臺、機器人周邊架構等場景的典型應用,并強調選型需結合實際載荷與力學參數,確保框架穩定可靠。
工業鋁型材在裝配線工作臺中的三大優勢解析

工業鋁型材在裝配線工作臺中的三大優勢解析

本文解析了工業鋁型材在裝配線工作臺應用中的四大核心優勢:模塊化設計帶來的靈活重組能力、輕量化與高承載的兼顧、符合人體工學的可調性,以及美觀耐用的環保特性。幫助制造企業理解鋁型材工作臺如何提升產線效率與適應性。
輕量化驅動:新能源汽車鋁型材的價值躍升

輕量化驅動:新能源汽車鋁型材的價值躍升

在“雙碳”目標驅動下,新能源汽車鋁型材憑借輕量化、高強度和耐腐蝕等優勢,正成為車身骨架、電池托盤等關鍵部件的核心材料。上海澳宏金屬制品有限公司深耕工業鋁型材領域二十余年,依托精密擠壓與深加工技術,為新能源產業提供從定制化截面設計到系統集成的完整技術支持。

全國服務熱線

133-8190-9160

澳宏專業鋁型材及配件供應商
聯系電話: 133-8190-9160 技術支持:

    • *