日日草天天干I免费热情视频I三级黄色网址I久草综合视频I黄色视屏免费在线观看I久久伊人爱

logo

工業鋁型材源頭工廠 專注工業鋁型材16年

咨詢熱線:133-8190-9160

  

澳宏二維碼

產品中心

鋁型材開模定制的價格貴嗎?

作者: 編輯: 來源: 發布日期: 2021.05.25
信息摘要:
智能化、數字化工廠已經成為了大趨勢。工業廠家對鋁型材框架的需求量也在與日俱增。工業設備生產中可能會遇到各種各樣的鋁型材配件,大多數是形狀不規…
智能化、數字化工廠已經成為了大趨勢。工業廠家對鋁型材框架的需求量也在與日俱增。工業設備生產中可能會遇到各種各樣的鋁型材配件,大多數是形狀不規則的,在這種情況下就需要開模定制鋁型材了。

相對來說,鋁型材模具費跟壓鑄鋁莫具費比起來,還是算比較便宜的。當然,這開模具的價格也跟定制數量、鋁型材形狀的復雜程度,開模難易程度有很大的關系。

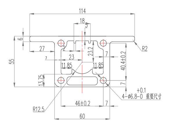
圖片3

如果需要具體的價格的話,還需要提供鋁型材圖紙過來,讓技術評估之后才能報出一個完整的價格。如果您這邊無法提供圖紙,那么我們澳宏鋁型材也可以根據你的要求繪制出圖紙。一般技術會根據圖紙來進行進一步的修改,以便達到最佳的開模效率以及降低報廢的幾率。


如果你有鋁型材框架方面的疑問與需求,歡迎來找上海澳宏鋁型材。上海澳宏專注與鋁型材解決方案13年,涉及5000種行業成功案例,60000多個合作案例,200+連接方案,品質有保證。澳宏鋁型材擁有自己的研發部門,1對1技術解答,工程師在線技術支持,快速解決圖紙的問題,能夠在第一時間將報價送到客戶手中,節約客戶的時間,提高客戶的生產效能。澳宏鋁型材以高品質、短交期助力中國制造業的發展,致力成長為讓社會感動的工業鋁型材框架定制品牌。

澳宏鋁業 

總部地址:上海青浦區滬青平公路3938弄17棟 

生產基地:江蘇昆山千燈鎮宏洋路20號-88號 

網址:m.tryte.com.cn 

澳宏推薦資訊
工業鋁型材框架系統:從選型痛點到集成方案的實踐路徑

工業鋁型材框架系統:從選型痛點到集成方案的實踐路徑

探討工業鋁型材在自動化框架中的選型痛點,介紹高純度鋁材(99.8%)集成方案,測試顯示抗拉強度提升30%以上。客戶案例表明項目交付周期縮短約30%,安裝效率提升15%。提供設備框架、防護圍欄等場景的選型建議。
4080鋁型材適合做什么?

4080鋁型材適合做什么?

080鋁型材截面尺寸為40mm×80mm,兼具承載能力與空間靈活性,是非標自動化、設備制造領域的常用規格。本文介紹了其在設備機架、輸送線支架、重載工作臺、機器人周邊架構等場景的典型應用,并強調選型需結合實際載荷與力學參數,確保框架穩定可靠。
工業鋁型材在裝配線工作臺中的三大優勢解析

工業鋁型材在裝配線工作臺中的三大優勢解析

本文解析了工業鋁型材在裝配線工作臺應用中的四大核心優勢:模塊化設計帶來的靈活重組能力、輕量化與高承載的兼顧、符合人體工學的可調性,以及美觀耐用的環保特性。幫助制造企業理解鋁型材工作臺如何提升產線效率與適應性。

全國服務熱線

133-8190-9160

澳宏專業鋁型材及配件供應商
聯系電話: 133-8190-9160 技術支持:

    • *